Slip Ring for Gimbal System 8 Circuits 1A per Channel Continuous Rotation 10000 RPM for Camera and Surveillance

1
MOQ
200-800USD
Price
Slip Ring for Gimbal System 8 Circuits 1A per Channel Continuous Rotation 10000 RPM for Camera and Surveillance
Features Gallery Product Description Chat Now
Features
Specifications
Design Loop: 8
Insulation Resistance: 220MΩ/250V/DC
Current: 240VDC/1A
Dielectric Strength: ≥300VAC/50Hz/60s
Dynamic Resistance Change Value: ≤10mΩ
Rated Speed: 0-10000 Rpm
Highlight:

Slip Ring for Gimbal System

,

8 Circuits Slip Ring

,

Continuous Rotation Slip Ring

Basic Infomation
Place of Origin: Shenzhen
Brand Name: SPR-ing
Model Number: SP030008
Payment & Shipping Terms
Packaging Details: Carton
Delivery Time: 1 week
Payment Terms: L/C,T/T
Supply Ability: 1000/month
Product Description

SP030008 Mini Electric Slip Ring is a high-performance, high-speed slip ring designed for precision industrial and laboratory testing platforms. It supports 8 circuits with 1A per channel and 240VDC rated voltage. With a maximum speed of 10,000 RPM and a working life of up to 100 million revolutions, this miniature slip ring ensures stable power and signal transmission for sensitive measurements such as strain gauges and thermocouples. Its compact aluminum alloy shell and gold-gold contact technology provide durability, low resistance, and reliable long-term


Technical parameters

Electrical specifications

Design loop

8

Insulation resistance

220MΩ/250V/DC

Current

240VDC/1A 

Dielectric strength

300VAC/50Hz/60s

Dynamic resistance change value

10

Wire length 

Standard 200mm (adjustable according to requirements)

Mechanical specifications

Rated speed

0-10000 rpm

Working life

100 million circle

Operating temperature

-40 ~ 80

Operating humidity

0~80%RH

Contact material

Gold-gold

Shell material

Alluminum alloy



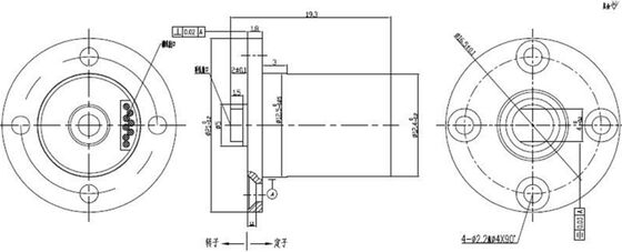
Outline Drawing


Slip Ring for Gimbal System 8 Circuits 1A per Channel Continuous Rotation 10000 RPM for Camera and Surveillance 0


Applications:

  • High-speed testing platforms for aircraft engines

  • Automotive wheel hub performance and drivetrain testing

  • High-speed rail component testing

  • Strain gauge and thermocouple signal acquisition

  • Robotics and UAV payloads

  • Laboratory and industrial precision measurement systems

 Key Advantages:

  • High-Speed Capability: Operates up to 10,000 RPM for demanding testing environments

  • Ultra-Long Life: Gold-gold contact with advanced friction pair technology ensures 100 million cycles

  • Precision Manufacturing: Mirror-polished contact surfaces, concentricity <0.01mm, dimensional tolerance <0.01mm

  • Compact and Lightweight: Small size meets tight installation requirements

  • Stable Signal Transmission: Low dynamic resistance ≤10mΩ ensures accurate measurements

  • Customizable: Wire length, circuit count, and other parameters can be tailored to specific requirements

Recommended Products
Get in touch with us
Contact Person : Payne
Tel : 18664971729
Characters Remaining(20/3000)